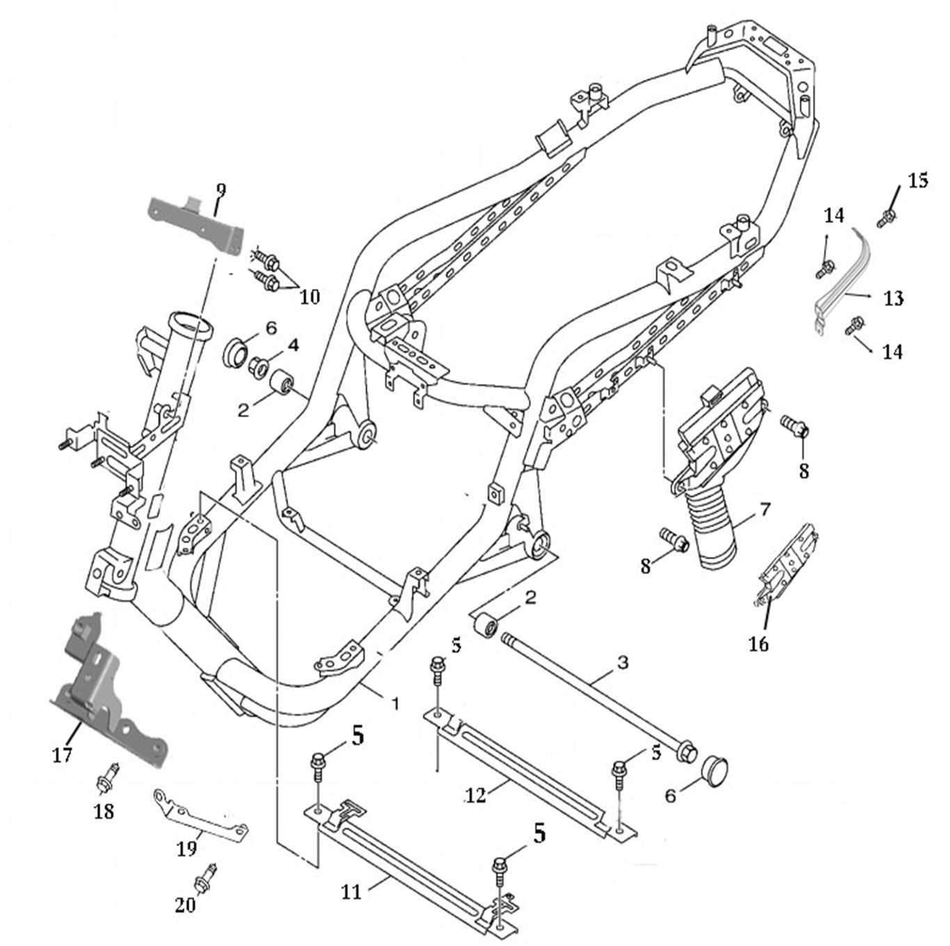
FRAME

Zpět
Další
FRAMENení skladem1 Kč1 Kč bez DPH
Zboží zařazeno v kategoriích
Potřebujete poradit?



Potřebujete poradit s výběrem čtyřkolky, UTV, motorky nebo příslušenství? Ozvěte se nám.
Telefon:+420 734 550 550
E-mail:info@atv-anex.cz